

煩雑な作業指示は一切不要。
簡易資料から意図を読み解いて回路図化いたします。
簡易的な資料を頂ければ、そこから開発担当者様の意図を読み解き回路図化させて頂きます。
回路図エディターをお持ちでないお客様や、必要最低限の情報提示のみで回路図作製の手間を省きたい場合などにお勧めです。
![]()
![]()
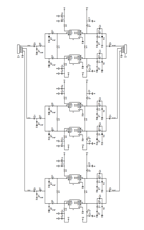
単純回路の繰り返しだが、全体の回路図を作成するのは非常に手間がかかる。
1ブロックのみの簡易的な情報提供で、全体回路を作って欲しい。
![]()
![]()
![]()
単純なインターフェース基板だが、ピン数は多い。
接続関係をエクセルで示すので回路図は作製して欲しい。
![]()
![]()
![]()
新規デバイス評価用に各端子から信号取り出す為の、治具基板を作りたい。
各端子に必要な情報を単純に示すので、回路図作製は任せたい。
![]()
